
產品展示
瑞安市寶德隆機械配件有限公司提供WH型滑塊聯軸器具有拆裝方便,快速安裝等特點,廣泛用于連接/固定輪轂孔和零件的軸,例如齒輪,錐齒輪,鏈輪,葉輪,凸輪,皮帶輪和飛輪等軸的聯結固定,咨詢電話:18906872378
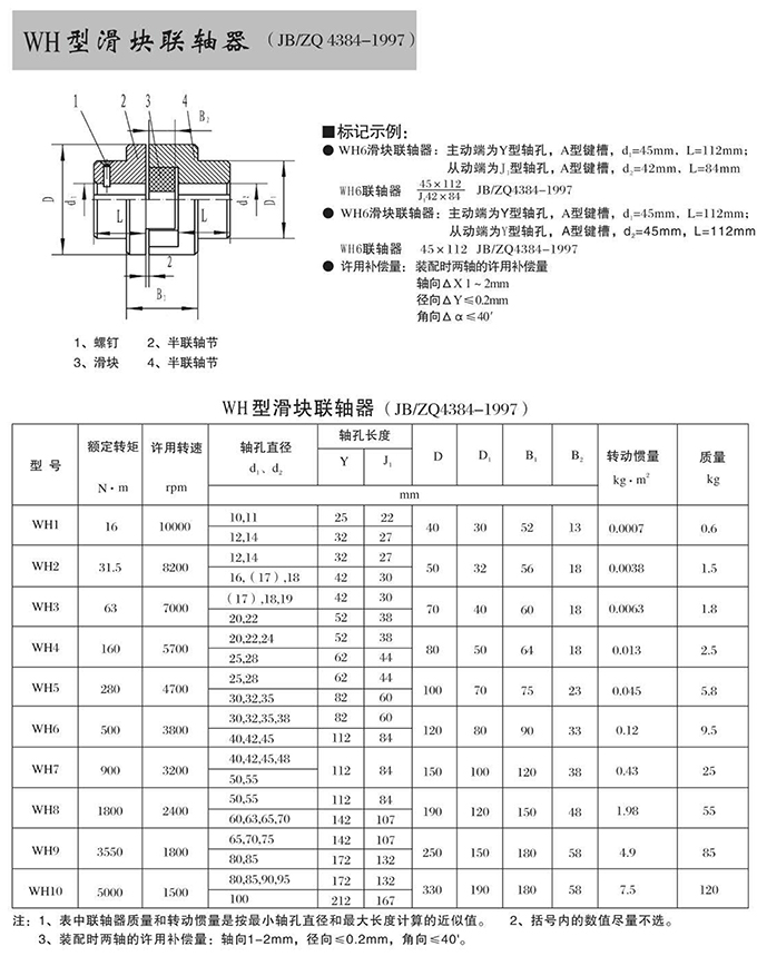
產品詳情

上一條:ZTSL型十字滑塊聯軸器
下一條:STL型彈性管聯軸器
相關信息
在新時代,有著新的挑戰,寶德隆本著“以質量求生存,以服務求發展”的企業理念,繼續奮進,不斷創新
在線留言
尋找可靠的閥門配件來豐富您的產品線,如果有任何疑問歡迎留言咨詢瑞安市寶德隆機械配件有限公司
Ruian Baodelong Machinery Parts Co., Ltd
手機網站